
您當前的位置:首頁 / 產品展示 / 保溫、高溫閥門 / 保溫法蘭球閥 insulated Uni-body valve BQ41F
產品展示
產品詳情
產品圖紙

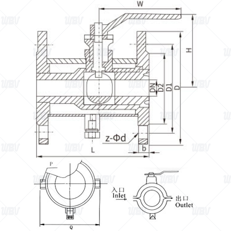
產品尺寸
| 公稱通徑 | 主要外形尺寸和連接尺寸 | |||||||
| L | D | D1 | D2 | b | Z-Фd | H | W | |
| 15 | 130 | 95 | 65 | 45 | 14 | 4-Ф14 | 95 | 160 |
| 20 | 140 | 105 | 75 | 55 | 14 | 4-Ф14 | 101 | 160 |
| 25 | 150 | 115 | 85 | 65 | 14 | 4-Ф14 | 106 | 160 |
| 32 | 165 | 135 | 100 | 78 | 16 | 4-Ф18 | 112 | 230 |
| 40 | 180 | 145 | 110 | 85 | 16 | 4-Ф18 | 125 | 230 |
| 50 | 200 | 160 | 125 | 100 | 16 | 4-Ф18 | 135 | 230 |
| 65 | 220 | 180 | 145 | 120 | 18 | 4-Ф18 | 170 | 400 |
| 80 | 250 | 195 | 160 | 135 | 20 | 8-Ф18 | 193 | 400 |
| 100 | 280 | 215 | 180 | 155 | 20 | 8-Ф18 | 265 | 700 |
| 125 | 320 | 245 | 210 | 185 | 22 | 8-Ф18 | 310 | 700 |
| 150 | 360 | 280 | 240 | 210 | 24 | 8-Ф23 | 355 | 1100 |
| 200 | 400 | 335 | 295 | 265 | 26 | 12-Ф23 | 410 | 1500 |
| 250 | 533 | 405 | 355 | 320 | 30 | 12-Ф25 | 560 | 1500 |
技術資料
1.設計標準:ASME B 16.34, GB/T12224-2015
2.結構長度:ASME B 16.10, GB/T12221-2005
3.連接法蘭:ASME B 16.5, JB/T79-2015
4.試驗和檢驗: API 598
產品零件表
| 閥體/閥蓋 | 碳鋼 | 鉻鎳鈦鋼 |
| 球 | 鉻鎳鋼 | |
| 閥座 | PTFE/氧化橡膠 | PTFE |
| 閥桿 | 沉淀硬化鋼 | 鉻鎳鋼 |
相關信息
如果您有任何產品上的問題及建議,或您想知道的,您可以隨時與我們聯(lián)系。
官方網站
微信公眾號