
您當前的位置:首頁 / 產品展示 / 鍛鋼球閥 / 三片式高壓帶鎖球閥 3PC high-pressure lockable ball valve
產品展示
產品詳情
產品圖紙

產品尺寸
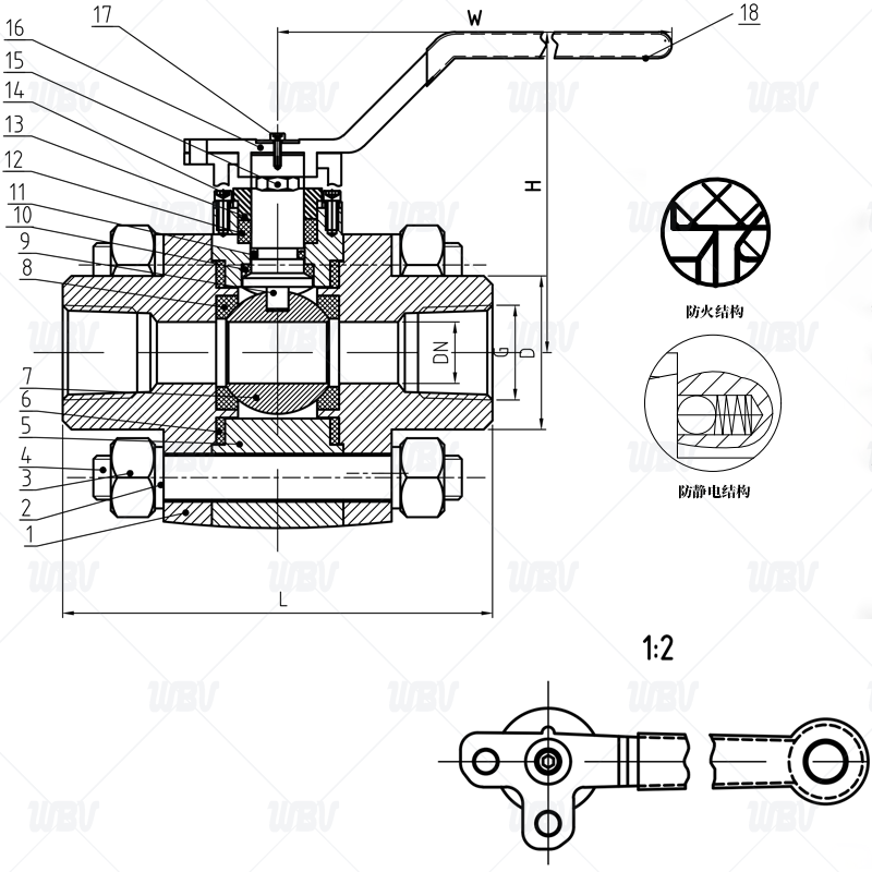
| NPS | G | DN | D | L | W | H |
| 1/2" | 1/2" | 14 | 35 | 112 | 150 | 90 |
| 3/4" | 3/4" | 20 | 40 | 121 | 160 | 100 |
| 1" | 1" | 23 | 50 | 131 | 180 | 115 |
技術資料
1.執(zhí)行標準JB/T7746-2020
2.測試標準GB/T13927-2008
3.螺紋標準GB/T8464-2023
4.結構長度標準DIN3202-M3
5.材質標準GB/T12230-2005
產品零件表
| 序號 | 名稱 | 材質 | 序號 | 名稱 | 材質 |
| 1 | 閥蓋 | A182 F304 | 10 | 止推墊片 | RPTFE |
| 2 | 彈性墊圈 | SS304 | 11 | O型圈 | VITON |
| 3 | 六角螺母 | A194 8 | 12 | 填料 | 柔性石墨 |
| 4 | 螺栓 | A193 B8 | 13 | 壓蓋 | SS304/SS316 |
| 5 | 閥體 | A182 F304 | 14 | 螺栓 | A193 B8 |
| 6 | 墊片 | SS304+柔性石墨 | 15 | 閥桿螺母 | A194 8 |
| 7 | 球 | A182 F304 | 16 | 手柄 | ASTM A536 60-40-18 |
| 8 | 閥座 | RPTFE | 17 | 螺栓 | SS304/SS316 |
| 9 | 閥桿 | A182 F304 | 18 | 手柄套 | 塑料 |
相關信息
如果您有任何產品上的問題及建議,或您想知道的,您可以隨時與我們聯系。
官方網站
微信公眾號